plc仿真,PLC仿真软件是一款具备便捷模拟编程功能的工具,各类配置选项可自由调整,半自动化编程能大幅减少操作繁琐度,可对PLC程序进行仿真、调试与优化,让使用者灵活展现自身能力,支持多设备运行,还提供丰富的免费素材及模板,激发你的创造力与想象力。

plc仿真软件(plcEdit)是一款挺不错的手机编程仿真工具,能让用户更便捷地在手机上开展编程工作,它模拟了西门子系统的编程模式,有助于提升手机编程体验,比较适合机床使用者和设计人员。

能够模拟复杂的PLC功能,兼容各类PLC机型,还提供适用于多种应用场景的函数库与操作符,这些函数库可直接嵌入PLC程序内。
包含丰富、直观的PLC软件仿真环境,能够让用户直接在仿真环境中构建和验证各种PLC程序算法和硬件。
该仿真软件支持复杂的信号处理与逻辑计算,用户能够借助它开展各类逻辑运算和数学运算,进而构建出灵活且具备高度规范性的模型系统。

PLC仿真软件免费版具备易于操作、功能齐全、效率高、兼容性强等特点,因此成为PLC编程初学者与专业编程人员的理想之选。
具备高效界面与可靠性能等优良特性,可帮助用户在仿真环境中便捷开展案例分析、构建响应规则图以及调试仿真过程等操作。
这段文本可以修改为: “具备极高的实时性,能够实现对信号的高精度读取与控制,可灵活、快速地应对各类复杂的工业动态变化。”
能带来更简化的编码体验,使PLC编程融入普通编程的范畴。这款仿真软件除了具备强大的PLC模拟环境外,还整合了诸多关键功能与编码相关的集成服务。
该软件的一大优势是无需依赖昂贵的高端PLC硬件,只需在电脑上安装PLC仿真软件,借助软件界面就能开展各类PLC程序的编写、调试与验证工作。
支持多种类型的仿真,涵盖有线仿真、无线仿真与混合仿真。用户可根据不同需求选择相应的仿真方式,在具备强大功能的同时,也保障了软件的灵活性与通用性。
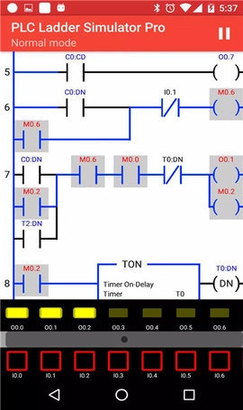
打开仿真软件并创建项目8,项目8里的PLC、SIM、序列等显示为灰色,此时程序正在编译,下方显示编译完成,错误数量为0,同时还有警告信息。
在仿真软件项目8里,若PLC、SIM、序列等显示为黑色字体且带有对勾,就表明项目已创建完成,通讯也成功建立了。
打开SIM表格,填写需要进行操作的输入输出地址,并依据实际需求设定地址对应的数据类型,可选择位、字节、字或双字类型。
在完成输入输出地址的编制后,对显示数据类型进行定义,此时在监视与修改值中显示为FALSE,该状态下可以进行操作。
点击“监控与修改值”后,程序软件界面会出现绿色实线,此时电路接通,表明程序操作成功。当状态从FALSE转换为TRUE时,线圈会有输出;当状态从TRUE转换时,线圈则断开输出。若界面出现蓝色虚线,则说明电路未接通。
这款软件具备高效、可靠、稳定等多重优势,能为用户带来优质的仿真体验。同时,它还提供丰富灵活的配置选项,可充分满足各类用户的不同需求。
这款PLC仿真软件拥有出色的功能和灵活性,在PLC编程与仿真领域,它不仅能提供所有必备功能,还支持定制化添加各类额外功能,从而能够满足专业PLC编程人员的需求。
该软件具备操作简便、视觉呈现出色、学习门槛低等特点,即便PLC编程的新手也能轻松上手、顺利操作,并享受到高质量的仿真体验。
软件体验(新版):3.6
软件界面:4.1
应用功能:4.7
使用频率:3.1
好用评分:4.8
8.9分
吾爱看书,没有广告的阅读体验更精彩,这款应用为用户准备了海量新颖的小说资源,你会发现这里的小说资源远超想象,直接搜索就能找到并阅读自己想看的内容。全程免费,没有烦人的广告打扰,软件里收录了各类题材的小说,感兴趣的用户快来这里开启阅读之旅吧!
天天逗图支持关键词检索功能,软件内的表情包资源极为丰富,分类也十分细致。多样化的内容让每位用户都能轻松享受由优质使用模式打造的简约特色体验,各类好玩有趣的表情包应有尽有,且图片资源会持续更新,觉得不错的小伙伴欢迎体验!
云上壁纸平台的壁纸资源全面且丰富,支持上下滑动切换壁纸,用户可轻松预览所有需要更换的壁纸图片,更换操作简单便捷。平台提供的均为高清精选大图,功能全面多样,海量壁纸总有一款能满足你的需求。
雷达汽车就像一位贴心助手,这里汇聚了所有相关的汽车内容,信息十分丰富。无论是最新资讯还是各类消息,都会第一时间推送给你,为用户打造一个全面的新能源汽车服务平台,带来更优质的服务体验。
北北北砂漫画免费版是一款提供了丰富类型漫画作品可以免费观看的软件,涵盖精品国漫、热门日漫韩漫等多种资源可以选择,无需VIP就能免费看完整的合集内容。软件界面简洁大方,操作逻辑清晰直观,即使是初次使用的用户也能快速上手找到想看的漫画。北北北砂漫画采用卷轴模式阅读设计,支持单手流畅操作,标清高清一键切换适配当前网速,预加载技术让阅读体验快速流畅不卡顿。特别贴心的是软件支持夜间模式设置,省电又护眼,长时间阅读也不会感到眼睛疲劳。同时支持离线下载功能,用户可以将漫画缓存到手机中随时随地阅读,不消耗流量还能在地铁、飞机等网络不佳的场所享受流畅的阅读体验。章节更新提醒功能让你再也不会错过任何精彩剧情更新,追漫服务非常人性化。
led显示屏软件,这款手持LED显示屏具备多样化的显示模式,支持高度自由的显示参数设置。你只需挥动双手,就能存储并展示动图内容,还能在线随时进行修改调整。无论是演唱会等各类场景都能适配使用,并且兼容多种手机设备。
《放开茶叶蛋》这款小游戏最近可太火了!尤其是35、17、22、25这些关卡,难度直接拉满,就看玩家们能不能摸出通关的门道了。游戏的创意感特别足,关卡数量也超多,要是脑子转得慢的话,估计得被虐得够呛。而且画风也超赞,还是单机离线模式,不用联网就能玩,感兴趣的话快来试试吧!
次元城动画最新版是一款专为二次元爱好者精心打造的动漫观看与互动平台,汇集了海量的动漫资源,涵盖了从经典老番到最新热门的各类作品,满足动漫迷们多样化的观看需求。软件不仅提供高清流畅的播放体验,还融入了个性化推荐、社区互动等功能,让用户在享受动漫的同时能够与其他同好交流分享,共同探索二次元世界的乐趣。软件支持TV动画和剧场版两大板块,还设有排行榜功能让用户了解当前最受欢迎的动漫作品。无需注册登录即可直接播放,所有视频全部免费观看,支持超清、高清、标清、4K等多个画质选择,用户可根据个人网速灵活切换。无论你是热血少年漫爱好者还是唯美少女番的粉丝,次元城动画都能为你找到心仪的二次元内容,开启一段精彩的追番之旅。
云剑卫士是你的安全小帮手,能有效保护手机安全,很好地防止监听,还能实时查看各类安全服务信息。用户可在云剑卫士反电诈首页或设置页面设置本地规则,拦截无用短信等,需要的小伙伴快来试试吧。
《财神好运来》是一款简单的合成闯关游戏,非常适合玩家用来赚取零花钱。它的玩法十分简单,即使是新手小白也能迅速上手。游戏内提供了多种赚钱方式,玩家可以自由选择自己喜欢的方式来完成任务。想要赚钱的小伙伴,不妨来本站体验《财神好运来》这款游戏吧!
漫漫国动漫是一款专为二次元动漫爱好者设计的追番神器,原名动漫共和国,由贵阳江平科技有限公司打造。软件汇集了来自中日韩等国家的上万部正版动漫资源,涵盖热血少年、唯美少女、悬疑推理、科幻奇幻等三十多个分类,无论你是追求血腥冒险、浪漫爱情还是烧脑推理,在这里都能找到心仪的动漫作品。漫漫国动漫界面设计简洁直观,操作流畅便捷,让你轻松畅游二次元世界。每日实时更新最新连载动漫,支持高清原画质显示和离线缓存功能,加载速度比传统软件更快,彻底告别卡顿烦恼。注册登录后还可以发送弹幕吐槽,与千万漫迷一起互动追番,享受沉浸式的追番体验。
免费短剧之家安卓版是一款专为短剧爱好者打造的高清观影软件,软件内提供海量免费短剧资源,涵盖喜剧、爱情、悬疑、科幻、古风、战神、玄幻、甜宠、神医、都市等多种题材,满足不同用户的观剧喜好。短剧均支持免费观看和下载,提供1080p超高清画质播放,带来流畅舒适的视听体验,让用户随时随地享受精彩剧情。更令人惊喜的是,用户每日签到观看视频还可获得收益,边看剧边赚零花钱,真正实现娱乐赚钱两不误。软件还具备强大的智能推荐功能,根据用户的观影历史和兴趣偏好精准推荐相关内容,让你告别剧荒,追剧永远快人一步。所有影视资源24小时实时更新,让你第一时间追平进度,体验前所未有的追剧快感。
《奇妙美食大排档》是一款休闲闯关游戏,玩家需要通过制作各类美食来完成关卡挑战。游戏采用卡通风格的画面设计,所有食材均可免费获取,为你带来逼真的美食制作体验。此外,游戏全程干扰,操作方式简单易上手,能让你沉浸其中。感兴趣的话,就快来试试吧!
美颜修图相机是一款专为热爱拍照的用户打造的应用,即使是普通的自己,也能通过美颜功能变得容貌出众,还能拥有精致的五官。这款安卓版的美颜修图相机功能操作简单,能助你拍出质感大片,提供快速的拍摄服务,让你体验到更多丰富的相机拍摄玩法。
我的酒厂是一款模拟经营类游戏,玩家通过完成任务获取奖励,游戏情节生动有趣,同时还能在游玩过程中学习酿酒步骤,了解一些生活中不常见的知识点。
谷歌手机浏览器安卓版是一款出色的手机系统工具软件,凭借极速的浏览速度、可靠的安全性、完善的隐私保护、便捷的跨设备同步、丰富的扩展功能以及友好的用户界面,使用时毫无卡顿,为用户带来了优质的浏览体验,因此成为众多用户的首选浏览器。该软件完全免费,您可以在手机上尽情享受它的各项强大功能。大家能轻松访问任何网页,还可创建专属的标签栏。欢迎各位用户前来体验!
必用浏览器是一款功能丰富的掌上浏览器应用,为用户提供多种搜索引擎和丰富插件的导入使用功能,支持多语言语音搜索,实时热搜信息会第一时间推送,让你轻松操作编辑,有效保护隐私安全,还提供众多可自由选择的浏览器专题,自带独特内核以提升使用体验,感兴趣的话就来安装必用浏览器吧!
桃源客栈是一款古风模拟经营游戏,玩家可以通过招揽宾客、合理安排膳食与住宿、招募员工等方式,逐步扩大经营规模,打造出自己理想中的桃源胜地。游戏里有多样化的装修风格和布局可供选择,还融入了精彩的剧情线索,能让玩家逐步揭开客栈背后那些被尘封的故事以及相关人物的过往。
中药铺物语游戏是一款非常好玩的手机店铺经营模拟游戏,场景设计充满古风。梦是如此美妙,有时不能仅通过梦言来看待。世界无奇不有,梦中的事物也可能有深刻的意义。谁知道?吉时晚上睡觉时,回忆起自己年轻时得过一场病,未能求医。后来他得到了一个方子,服了药,就痊愈了。想到这里,济世站了起来,拿起桌上的本草纲目,开始翻阅起来。慢慢地,济世进入了梦乡。
植物大战僵尸乐pad完美存档版是宝凯游戏早期为联想LenovoPad移植的《植物大战僵尸》手机版本。在这个版本中,可以直接获取大量的存档。接近PC游戏的操作方式。游戏中有很多。手机版没有同样的玩法,但是没有花园。冒险模式中所有关卡均已通关。玩家进入游戏后可以选择任意关卡。这是一个非常有趣的版本。同时游戏中有多个场景可供选择,包括室内、室外、夜晚等,每个场景都有自己独特的特点和难度,夕阳、浓雾、泳池等障碍物增加了整体的难度。游戏的挑战。独特的游戏乐趣永无止境。
《忍者神龟传奇》最新版本是一款英雄动作手游。游戏分为剧情冒险模式、格斗竞技玩法等,拥有丰富的战斗场景和战斗地下城。组建团队开始冒险游戏。《忍者神龟传奇》这个版本的游戏有着经典的玩法,还融入了动漫场景。你要完成更多冒险任务,战斗技巧等待你掌握。你可以克服挑战,体验最激情的战斗模式。
再玩亿关游戏(Satisfying)是一款舒服治愈的小游戏,又名满足。它非常舒适并且可以缓解压力。它也许能够治愈您的强迫症(OCD)。玩家可以在这里自由地享受精彩内容。这里有很多不同的小游戏。游戏包括存储、解谜、解压、解谜、小游戏五种类型。
梅露可物语愈术士与铃之旋律手游是HappyElementsK.K.推出的一款日本二次元奇幻角色冒险游戏。在这款游戏中,我们将来到这个人类与怪物共存的世界,被一个被包围的瓶子里的女孩苏醒,我们的奇幻冒险开始了。在冒险的过程中,我们会认识各种怪物和角色,并邀请他们成为我们的伙伴,一起进行下一次的冒险。游戏独特的团队玩法让我们能够更好的应对旅途中的危机。里面的人物都有着自己的特点。感兴趣的朋友可以下载体验一下。
沙滩越野赛车游戏是一款非常有趣的越野沙滩赛车手机游戏。英文名称为:BuggyCar:BeachRacingGames。玩家可以在这里找到许多设计精美的赛车。你将成为一名赛车手。在柔软的沙滩上参加惊心动魄的赛车比赛,然后驾驶最快的汽车上路,体验冒险、动感十足的全地形车之旅,同时享受前所未有的越野卡丁车赛车狂热,具有可定制的功能越野赛车游戏卡车具有您的惊人功能选择,成为沙滩车游戏中的卡丁车赛车手,敢于挑战卡丁车赛车。
热力赛车游戏手机版是一款刺激有趣的赛车游戏。英文名称也叫raceoff。游戏画面感十足,拥有超逼真的3D游戏画面。赛车的制作也非常精良,再加上令人震撼的发动机。音效让玩家身临其境,给你真实的驾驶和赛车体验。游戏中,玩家可以控制自己的赛车自由闯关,躲避赛道上会出现的各种障碍物,沿途收集金币等奖励,保证到达终点不翻车即可过关。
黑蜘蛛绳索英雄正式版是一款以蜘蛛侠为背景的超级英雄格斗游戏,又名飞天黑蜘蛛绳英雄、黑蜘蛛绳超级英雄、蜘蛛绳战士,英文名称:BlackSpiderRopeSuperhero,玩家在游戏中需要与罪恶都市的歹徒战斗。该游戏专为喜欢冒险、善于工作、敢于冒险的玩家而设计。它不仅是一种娱乐方式,更能激发玩家的热情,让他们无所畏惧。游戏将会带来更加有趣的体验。游戏中,玩家控制英雄角色,展开一场激动人心的冒险战斗,合理运用技能和道具,发挥强大的实力,探索开放的地图,展现玩家的超强实力。感兴趣的玩家快来下载体验吧!
疯狂农场3冰河时代中文版下载,疯狂农场3冰河时代手机版,这款模拟经营游戏绝对能让你爱不释手!它采用独特的卡通画风,将冰河时代作为游戏背景,充满了趣味和创意。游戏中的明快背景音乐与细腻逼真的动物叫声相互交织,为玩家带来了一场视听盛宴,仿佛置身于一个充满生机与活力的农场世界。在这里,你可以尽情享受经营农场的乐趣,感受冰河时代的神秘魅力。快来加入疯狂农场3冰河时代的冒险之旅吧,开启属于你的农场传奇!
无限黑河,这款由黑龙江广播电视台精心打造的新闻资讯软件,凭借其前沿科技与原创报道的完美结合,已经成为了黑龙江人民获取新闻资讯、享受民生服务的重要平台。无限黑河不仅收录了全世界的新闻热点,更实时追踪并记录了黑河本地的新闻动态。用户只需轻轻一点,即可随时随地了解到当地最新的新闻热点,无论是政治、经济、文
在繁忙的生活中,你是否希望手机也能像你一样拥有分身术?这里为你整理了一系列能够实现应用分身的手机软件,它们让你轻松在一部手机上同时登录多个账号,工作娱乐两不误。这些免费下载的分身软件,操作简单,功能强大,保护隐私,让你的数字生活更加高效便捷。立即探索这些分身应用软件合集,开启你的多任务处理新篇章!
欢迎来到《像素地牢》全部版本合集下载页面!在这里,我们为您提供了《像素地牢》各个版本的下载链接,让您能够轻松下载并安装这款经典像素风地牢冒险游戏。《像素地牢》是一款深受玩家喜爱的像素风格地牢探险游戏,玩家将扮演勇敢的冒险者,深入充满未知和危险的地牢,寻找宝藏和宝藏。游戏中,您将面对各种挑战和陷阱,与各种怪物战斗,解锁新的武器和装备,提升自己的实力。希望您能在《像素地牢》中找到属于自己的乐趣,享受这段充满挑战和惊喜的冒险之旅!
在移动设备日益普及的今天,手机系统管理同样不容忽视。为了帮助用户更好地管理和优化他们的手机系统,我们特别推荐一系列实用的手机系统管理工具软件。这些工具涵盖了从手机清理、性能优化到安全防护等多个方面,能够满足不同用户的需求。在常用手机系统管理工具软件下载专区,您可以找到各种热门的手机系统管理软件,它们经过精心挑选,以确保提供最佳的体验和效果。无论是想要提升手机速度、清理垃圾文件,还是加强系统安全,这里都有适合您的解决方案。欢迎您前来探索和下载,让您的手机运行更加顺畅!
节奏盒子这款休闲音乐游戏通过多种乐器和丰富的创作功能,为玩家带来了别具一格的音乐互动体验。玩家可以自由选择钢琴、架子鼓、音乐打击垫等不同的乐器,每种乐器都拥有多样化的乐谱和独特的皮肤设计,让游戏充满了视觉和听觉上的双重享受。游戏操作简单,玩家只需轻触屏幕上的乐器按键,便能轻松演奏出美妙的音乐,感受到实时演奏的乐趣。不论是初学者还是音乐爱好者,都能在这里找到适合自己的玩法,通过旋律的组合表达个性。
欢迎来到密室逃脱解谜类游戏的合集!这里汇集了众多精心设计的密室逃脱游戏,每一款都充满了挑战和惊喜。无论你是解谜新手还是资深玩家,都能在这里找到适合自己的游戏。在密室逃脱系列游戏中,玩家需要运用智慧和观察力,解开各种谜题,寻找线索,最终逃离密室。这些游戏不仅考验玩家的逻辑思维,还能带来紧张刺激的游戏体验。无论是喜欢推理小说的侦探迷,还是喜欢挑战自我的冒险家,密室逃脱系列游戏都能满足你的需求。快来选择一款你感兴趣的游戏,开始你的解谜之旅吧!
这里是像素射击世界版本的合集专区,涵盖了像素射击世界这款游戏的所有版本。无论你是想体验经典旧版,还是追逐最新的更新版本,都能在此找到。为广大像素射击世界游戏爱好者精心聚合,方便大家一站式获取各个时期的游戏版本。无需四处搜寻,在这个合集里,就能满足你对像素射击世界不同版本的探索需求,轻松畅玩不同阶段的游戏内容,尽情享受像素射击世界带来的独特游戏乐趣。
失控城市模拟器是一款休闲益智解压手游。玩家可扮演城市破坏者,利用地震、海啸等自然灾害,核弹、激光等高科技武器,或召唤小怪兽、外星舰队等破坏城市,从上帝视角感受破坏快感。有单人、多人对战和合作模式,还有成就系统与排行榜。采用高清3D图形和先进物理引擎,支持离线玩,大部分内容免费。心动的小伙伴们,快来下载试试看吧!
泰剧兔各种版本合集,就像一群贴心的影视小精灵,陪伴着泰剧爱好者们。这里有功能全面的最新版,能智能推荐、离线下载,让你紧跟泰剧潮流;有无广告版,为你营造纯净观剧环境;还有粉色版,以甜美界面带来好心情。无论你是想看热门新剧还是重温经典老剧,泰剧兔各种版本都能满足你,带你畅游泰剧的精彩世界。心动的小伙伴们,快来下载试试看吧!
安卓应用商店都有哪些呢?在当下,智能手机已然成为人们生活中不可或缺的重要部分。各式各样丰富多元的安卓应用,为用户带来了数不尽的便利与娱乐体验。在此,为大家推荐几款安卓应用商店APP。不管你想要的是热门的社交媒体类应用、实用的工具类应用,还是游戏娱乐类、教育学习类应用,这些应用商店都能满足你的需求。你可以在这些应用商店里尽情探索各类独特又实用的APP,从而满足自身的个性化需求。
安卓汉化版RPG游戏合集有什么亮点?安卓汉化版RPG游戏合集包含多种风格作品。常见有日式冒险类,剧情细腻,角色形象丰富;欧美奇幻类,世界观宏大,战斗场面刺激;还有国产武侠类,能让玩家体验江湖侠义。这类合集可让玩家告别语言障碍,尽情沉浸于精彩的游戏世界。因其能满足玩家探索、养成、战斗等多元需求,还能带来丰富的情感体验与成就感,无论是喜欢传统回合制还是动作冒险玩法的玩家,都能在合集中找到心头好。
免费看电视剧的TV软件大全有何优势?这类软件大全涵盖多种类型的软件。从内容来源看,有官方正版软件,如芒果TV、腾讯视频等,资源正规,品质有保障;也有聚合类软件,能整合全网资源。内容上则包含国产剧、韩剧、美剧等国内外各类电视剧。受欢迎是因为可让用户无需付费就能观看海量剧集,节省开支,还能满足不同用户的观剧口味,让用户在大屏上享受高清流畅的观剧体验,丰富家庭娱乐生活。
密室逃脱游戏,仿佛是一场场虚拟的冒险挑战。当你进入游戏,就置身于一个个精心设计的密闭空间,需要在有限时间内,凭借敏锐的观察力和灵活的思维,寻找线索、破解谜题,最终成功逃脱。有恐怖阴森的鬼屋主题,有充满神秘色彩的古墓主题,还有科技感十足的未来主题等。它的魅力在于紧张刺激的氛围和成就感,每一次解开谜题、打开新的通道,都能让你心跳加速,享受突破重重困难后的喜悦,是追求刺激与挑战玩家的心头好。
AI虚拟女友软件大集合,网罗众多前沿的AI恋爱模拟应用。这些软件凭借先进的人工智能技术,营造出仿若身临其境般的恋爱体验。用户不但可以和虚拟女友展开语音聊天,还能够对其外貌、性格以及兴趣进行自定义设置,尽情享受独一无二的陪伴。从浪漫约会到趣味游戏,丰富多样的互动模式带来无尽欢乐。当你感到孤单时,她是最懂你的亲密伴侣;当你忙于事务时,她是最贴心的默默守候者。赶快下载,开启属于你的AI恋爱奇妙旅程吧!
谷歌系列软件大全,堪称众多用户手机里不可或缺的应用商店。这里汇聚了一系列优质 app,广泛覆盖商务办公、日常生活、新闻阅读等诸多领域。用户借助它,能轻而易举地找到各类软件并下载体验,享受全方位的服务与极致体验。不仅如此,这些软件具备丰富多样的分类与频道,用户可按需自由筛选查看,快速获取各类热门软件,充分满足使用需求。而且,该软件大全还提供智能化搜索方式,用户只需直接输入软件名称,就能搜索到感兴趣的软件资源,便于轻松下载与管理。感兴趣的用户,欢迎前来下载。
为您呈上自由度高的RPG手游大全,这里有海量好玩且自由度高的RPG手游供您下载。小编精心整理收集到的游戏,汇聚成这一大全合集,推荐给钟情于高自由度RPG手游的玩家们。期望本期专题能给您带来帮助。
猛鬼宿舍可是当下超热门的塔防守家类游戏,主打恐怖风格。它以 2D 简约画风打造出暗黑且惊悚的宿舍场景,搭配上令人毛骨悚然的背景音乐,玩起来那刺激感直接拉满。目前,这款游戏已经推出了好几个不同版本。此次本站精心整理的合集中,涵盖了游戏的各类版本,诸如无限金币版、伥鬼模式版以及加强版等等都包含在内。倘若你对这类游戏感兴趣,还想尝试不同的修改版本,那么这个合集就相当值得一看,它能够满足大家体验不同玩法的需求,无需再四处寻觅各个版本,一次就能接触到多种类型。
蜡笔小新同人游戏是基于经典动漫《蜡笔小新》背景打造的趣味冒险解谜类游戏。在该游戏里,玩家会化身为调皮捣蛋的小新,在熟悉的日常生活场景中穿梭,像野原家的客厅、双叶幼稚园、妈妈的美伢商店之类,去解开一系列由小新及其朋友们引发的既搞笑又充满挑战性的谜题。这款游戏不但把动漫中的经典角色和台词完美重现,还加入了丰富多样的互动元素与隐藏彩蛋,使得玩家在重温小新带来的欢乐之际,还能体验到别具一格的游戏乐趣。
《PUBG 地铁逃生》,这可是《绝地求生》里超刺激好玩的特色模式。在游戏里,你能尽情体验刺激玩法,它沿用传统枪战吃鸡模式,你可以自由挑选队友,一同投身战场。每场竞赛对局皆随机生成,你还能选用各式各样的武器展开淘汰比拼。运用有效的战术指挥,完成一场又一场激动人心的战斗。感兴趣的小伙伴,赶紧来下载吧!
在世界盒子这款游戏里,你能感受到身为上帝的体验,可以打造各类地形,投放不同文明,还能选择多样天气,也能加速时间流逝,观察会诞生怎样的文明,堪称一款十分值得尝试的游戏。今天我为大家整理了世界盒子的全版本合集,其中就包含了worldbo。
二次元同人创作素材软件推荐专题激发灵感。提供角色立绘、场景模板、分镜参考等素材,支持图层编辑与格式导出。社区可分享作品获反馈,新手也能快速上手。想创作同人?感兴趣的小伙伴快快下载吧!
手游画质模糊帧率低影响操作?手游画质优化与帧率提升助手合集专题提供了专业的游戏画质调校功能。这类软件能一键解锁更高帧率、优化分辨率、调整阴影和抗锯齿,适配不同机型,让低配手机也能享受高清流畅的游戏体验,操作简单无需复杂设置,轻松提升游戏视觉表现。立即下载,开启你的体验。
冷狐移植汉化GALGAME合集收录了经过安全验证的热门日系GAL移植作品,不用再到处找资源踩坑。从纯爱甜系校园恋曲到悬疑暗黑剧情全覆盖,每一款都配有完整汉化剧情与全CG解锁,沉浸式体验角色间的细腻情感与跌宕故事。
谁没个修仙梦!这类游戏让你从凡人起步,渡劫飞升、建宗门、收徒弟,还能炼丹炼器养灵宠,沉浸式体验仙侠世界的快意恩仇!佛系玩法不用熬夜肝,挂机就能升级,轻松圆你当仙尊的梦,喜欢中式仙侠的朋友千万别错过,快来开启你的修仙之路!
想要通过语音指令轻松完成各种任务?支持智能语音交互的AI助手推荐专题为你带来便捷体验。这些应用集成了先进的语音识别和自然语言处理技术,能够理解你的语音指令,完成信息查询、日程管理、设备控制、聊天对话等多种功能。界面设计简洁,响应迅速,支持个性化设置。无论是提高工作效率,还是寻求娱乐陪伴,都能提供贴心的帮助。立即下载,体验智能科技带来的便利生活。
校园题材恋爱GALGAME合集主打青春甜系剧情,从高中初恋到大学恋爱全覆盖。和校园少女互动、培养好感、解锁校园恋爱剧情,体验青春恋爱的青涩与甜蜜。
甜蜜女友2合集主打3D建模的沉浸式纯爱恋爱玩法,高精度角色建模搭配真实触摸互动系统,汉化版还原日常恋爱细节。玩家可与专属女友展开约会、聊天、触摸等互动,解锁专属恋爱剧情与动态CG,体验真实感拉满的虚拟恋爱体验。
B站热门同人GALGAME合集主打UP主解说同款剧情游戏,从纯爱甜系到暗黑重口全覆盖。跟着B站弹幕一起追剧式玩游戏,体验同人剧情的独特魅力。
集合多款暗黑风格恐怖解谜冒险游戏,融入后室、怪宅、灵异等热门恐怖元素,阴森的画面与紧张音效营造沉浸式惊悚氛围,玩家需在恐惧中寻找线索、破解谜题推进剧情,适合追求刺激与解谜乐趣的玩家挑战。